Wind turbine
Application Overview
Application Overview
Wind power generation is the process of converting wind energy into mechanical energy, and then converting mechanical energy into electrical energy. This process does not require fuel or emit radiation, nor does it generate air pollution, which makes it a clean energy resource.
Marching Power can provide a complete system solution from wind power converters to wind power converters. The 1700V 50A~900A series modules provide the best solution for products in different power bands.
Wind turbine
Application System Diagram
Application System Diagram
Wind turbine
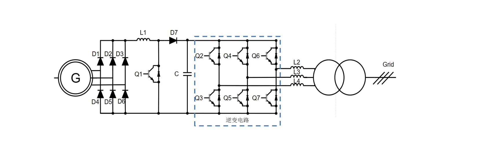
Application Topology Diagram
Application Topology Diagram
Wind turbine
Recommended Products
Recommended Products
Silicon-based chip and module series
Third generation semiconductor chip and module series